2016年高能新闻
您当前的位置:首页 > 新闻动态 > 高能新闻 > 要闻 > 2016年高能新闻
CSNS低温系统氦制冷机调试成功
文章来源:东莞分部  2016-08-10
】 【】 【

  725日至88日,中国散裂中子源(CSNS)低温系统按计划完成了氦制冷机的调试工作。 

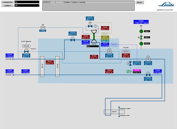
  氦制冷机是低温系统的关键设备,是氢循环的冷源。与制冷机调试配套的工作包括罐区气体储罐的纯化,低温厅与氦制冷机房间的管道检漏,以及所有传感器、阀门的校准。低温组成员严格按照要求对包括室外的所有设备进行了调试。调试包括了控制系统的接线、单个器件的动作测试、氢循环界面和氦循环界面组态调试,以及压缩机试车及运行、储罐及管道的氦气纯度检查、氦气纯化。 

  85日,氦制冷机首次开始降温。一小时后制冷机出口温度达到20K,随后进行了制冷功率的测试,达到出口温度16K,回气温度20K,制冷功率2300W,运行状态良好,超过了2200W@20K的验收指标。此后在该工况下连续运行24小时,出口温度波动在0.3K之内,标志着氦制冷机验收成功。86日开始,低温组全体人员接受制冷机操作和维护培训,其目标是让所有人员均能独立操作制冷机。 

  整个调试过程得到了技术支持部、装置办和园区办的大力协助。 

CSNS低温系统氦制冷机调试成功

低温组成员工作现场


附件下载:

地址:北京市918信箱 邮编:100049 电话:86-10-88235008 Email:ihep@ihep.ac.cn
快盈v3 备案序号:京ICP备05002790号-1 文保网安备案号: 110402500050