什么是中子?
中子由查德威克于1932年发现,是组成物质的基本粒子之一,不带电,因此被称为中子。

原子核由带正电的质子和不带电的中子组成
在宇宙中,中子含量非常丰富,几乎占了所有可见物质的一半。但对于物理和生物材料领域的研究来说,缺少一种足够亮度的中子源。正如我们希望能够在黑暗中有一盏明灯,照亮阅读中的书籍那样,科学家们也渴求有一种强亮度的中子源,能够“拍摄”到材料的微观结构,跟踪正在运动中的原子和分子的行为。散裂中子源应运而生,它能够产生高亮度的中子流,其中子数量将超过每秒每平方厘米1亿亿个。如同闪光灯那强烈的一闪,之后物体的影像就被探测器捕捉到了。中子束流打到被观测的物体上,向各个方向散射开来,就好像公园喷泉中的水喷到岩石上发生溅射一样。科学家们就根据这些中子散射的数据分析出被观测物体的微观特征。

本图为利用中子散射技术观测到的含有锌离子的两个胰岛素分子结构。为便于中子衍射研究,需将胰岛素分子晶体化。在 其晶体化过程中,胰岛素分子吸附锌离子(图中的白色小球)。

本图为在美国阿贡国家实验室强脉冲中子源上开展的利用中子散射研究某个样品的结果。该样品显示肽(圆柱体)在细胞膜中形成孔并将自身嵌入其中。
什么是中子源?
要用中子做探针,必须有一个适当的中子源。最早使用的是放射性同位素中子源,但强度较低,寿命有限。20世纪用于中子核物理研究的主要中子源,是用低能粒子加速器产生的带电粒子束轰击靶而产生的中子,其能量单一、脉冲性好,但中子产生效率较低。反应堆中子源中子通量高,应用最为广泛,但由于反应堆散热技术的限制,使其最大中子通量受到限制。
散裂中子源的出现则突破了反应堆中子源中子通量的极限。
当高能量粒子如高能质子轰击重原子核时,一些中子被“剥离”,或被轰击出来,这个过程称为散裂。与裂变反应相比,散裂反应释放的能量较低,但它可以将一个原子核打成几块,这个过程中会产生中子、质子、介子、中微子等,有利于开展核物理前沿课题研究和应用研究,且次生中子还会与临近的靶核作用而产生中子——即核外级联。一个质子在打靶后大概可以产生20到30个中子,这是散裂中子源的基本条件。
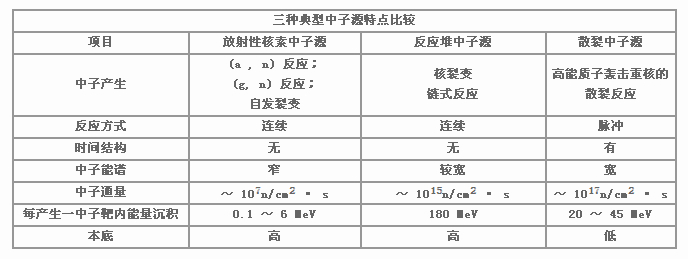
上世纪80年代起,由质子加速器驱动的散裂中子源,逐渐进入实际应用阶段。其原理比较简单,用高能强流质子加速器,产生1 GeV左右的质子轰击重元素靶(如钨或铀),在靶中产生散裂反应。散裂中子源的特点是在比较小的体积内可产生比较高的脉冲中子通量,能提供的中子能谱更加宽广,大大扩展了中子科学研究的范围。表1给出了三种典型中子源的特点比较。

什么是散裂中子源?
当一个高能质子,打到重原子核上时,一些中子被轰击出来,这个过程被称为散裂反应。被轰击的原子核温度升高,更多的中子就会“沸腾”起来并脱离原子核的束缚。如果将一个垒球用力投到装满球的筐中,有一些球会立刻蹦出来,而更多的球则会弹跳并翻出筐外,散裂反应与这个过程很相似。每个与原子核相作用的质子能够轰击出20到30个中子。

从上世纪80年代开始发展起来的、基于先进加速器技术的散裂中子源是目前世界上最先进的中子源。其基本原理是用高能强流质子加速器产生能量在1GeV以上的质子束轰击重元素靶(如钨或铀),在靶中发生散裂反应,产生大量的中子。

散裂中子源与反应堆中子源各具特色,是相互补充的研究手段。我国在反应堆中子散射研究中已有较深厚的基础,可为进一步发展散裂中子源先进技术提供有力支持。散裂中子源的特点是在较小的体积内可产生较高的脉冲中子通量,能提供的中子能谱更加宽广,大大扩展了中子科学研究的范围;它具有高脉冲通量和优越的脉冲时间结构,低本底,且不使用核燃料,只产生极少量活化产物等独特优点。
近年来,随着强流加速器技术的发展,百千瓦到兆瓦级束流功率的散裂中子源成为国际公认的新一代高通量、宽波段、高效安全的中子源。
进入21世纪,美、日、欧等发达国家认识到能提供更高中子通量和中子利用效率的散裂中子源在现代科学技术中的重要地位,把建设高性能散裂中子源作为提高科技创新能力的重要举措,相继斥巨资建设新一代的散裂中子源。
中国散裂中子源工程将于2011年秋动工,第一期设计束流功率为100Kw,脉冲重复频率为25Hz,它主要由一台80MeV负氢直线加速器、一台1.6GeV快循环质子同步加速器及其前后两条束流传输线、一个靶站和三台中子谱仪及相应的配套设施组成。作为发展中国家的第一台散裂中子源,其建成后将进入世界四大散裂中子源的行列,大幅提升我国基础研究和高技术的水平,缩短我国与世界前沿30年的差距。 |